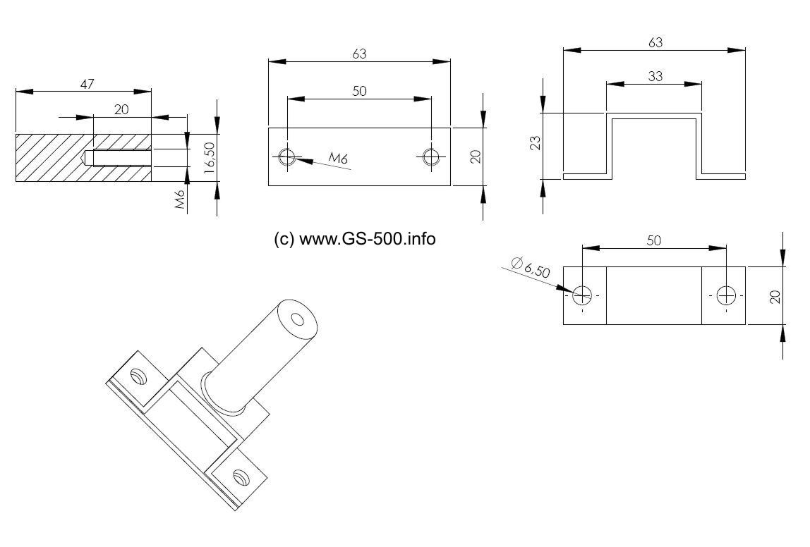
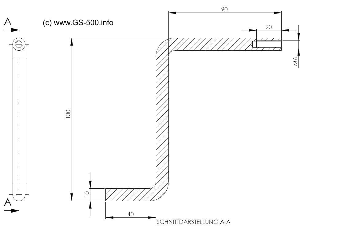
Maße Halter Five Stars Verkleidung

Aus das GS 500 Wiki: www.GS-500.info

Dies ist eine alte Version. Zeitpunkt der Bearbeitung: 20:23, 6. Okt. 2007 durch BW (Diskussion | Beiträge).
(Unterschied) ← Nächstältere Version | Aktuelle Version (Unterschied) | Nächstjüngere Version → (Unterschied)
Wechseln zu: Navigation, Suche

Hier sind ein paar Zeichnungen für Halter für die Five Stars Verkleidung. Die müssen allerdings zusammengeschweist werden.


Hier noch eine Zeichnung von den drei gleichen Haltern der VVK von Five Stars

Die Halter werden aus 2 mm starkem Blech gefertigt.

Bild:Halter1.jpg

Hier der hinter linke Halter für die VVK von Five Stars.

Allerdings mus da noch die Haltelasche aufgesetzt und geschweist werden.

Die Haltelaschen werden aus 2 mm starkem Blech gefertigt.

Bild:Halter2.jpg

Bild:Halter3.jpg

Hier der hinter rechte Halter für die VVK von Five Stars.

Allerdings mus da noch die Haltelasche aufgesetzt und geschweist werden.

Die Haltelaschen werden aus 2 mm starkem Blech gefertigt.

Bild:Halter4.jpg

Bild:Halter5.jpg

Persönliche Werkzeuge